matkapuhelinmuseo.com
2010: Nokian ensimmäinen Symbian 3 -käyttöjärjestelmään perustuva älypuhelin Nokia N8 (=RM-596)
Puhelin suunniteltiin Salossa vuosina 2005 - 2010.
 
N8:ssa oli 3,5 tuuman AMOLED-näyttö, 16 gigatavua massamuistia ja 12 megapikselin kamera. Puhelimessa oli kapasitiivinen kosketusnäyttö, ja se oli ensimmäinen Nokian puhelin, jossa oli monikosketusnäyttö. Puhelin julkistettiin 8.9.2010 Espoossa.
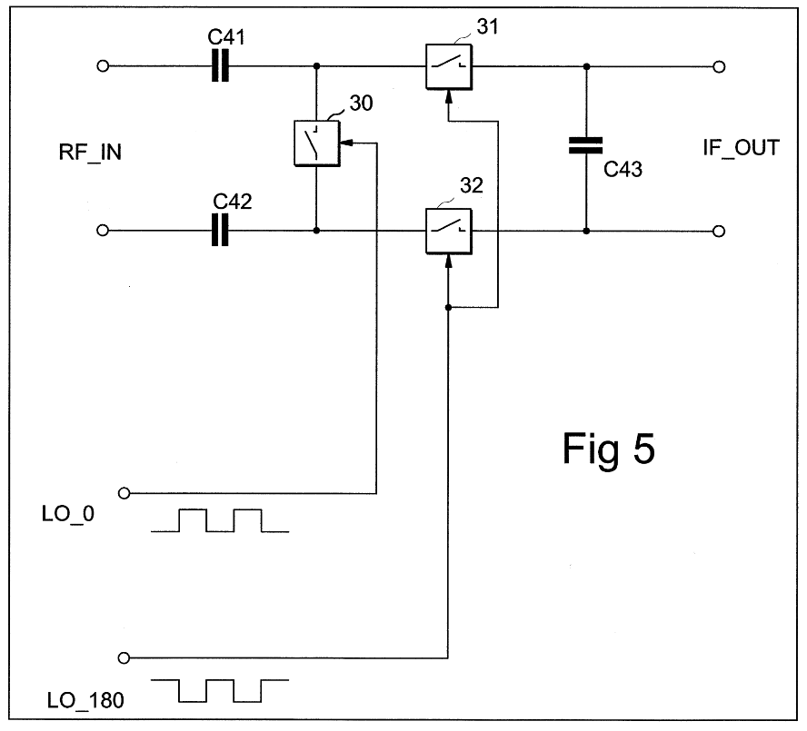
N8 sisälsi suuren määrän patentoitua tekniikkaa. Radiotekniikan historia kannalta merkittävää oli, että ensi kertaa maailmassa tässä käytettiin vahvistavaa passiivista taajuussekoittajaa ja passiivista vahvistinta.
Patentteja:
| 
 | 
Patenteista on tehty lukuisia jatkohakemuksia. Esimerkiksi patentista US7415247 on tehty seuraavat jatkohakemukset:
- US2007213025A1
- US2009135781A1
- US2013012142A1
- US2014242929A1
- US2015094001A1
- US2017019129A1
- US7415247B1
- US8755834B2
- US8768408B2
- US8838049B1
- US9270301B2
Viimeisin jatkohakemuksesta saatu patentti on vuodelta 2016. Se tulee todennäköisesti olemaan voimassa 20 vuoden ajan.
Puhelimen ominaisuudet
- Käyttöverkot: WCDMA (UMTS/HSDPA/HSUPA): 850,900,1700,1900,2100 MHz GSM/EDGE: 850,900,1800,1900 MHz
- WL.AN: 802.11 b/g/n
- Mitat: 113,5 × 59 × 12,9 mm
- Paino: 135 g
- Näyttö: 3,5" kuvasuhteeltaan 16:9 kapasitiivinen AMOLED-kosketusnäyttö, jota suojaa Gorilla Glass-lasi
- Näytön kuvatarkkuus: 640 × 360 pikseliä
- Värien lukumäärä: 16,7 miljoonaa
- Suoritin: 680 MHz ARM 11
- Muisti: 16 Gt , MicroSD-muistikorttipaikka
- Kamera: 12 megapikseliä (4000 x 3000) Carl Zeiss-optiikalla, 2x zoomilla,
- Radio: on, sekä lisäksi FM-lähetin
- Musiikkisoitin: on (WMA/AAC/MP3/eAAC/eAAC+/AMR-NB/AMR-WB)
- Valmiusaika: GSM 390 h, WCDMA 400 h
- Puheaika: GSM 12 h, WCDMA n. 6 h
- Liitännät: MicroUSB 2.0 latausominaisuudella, TV-lähtö, HDMI-lähtö, 3,5 mm audioliitäntä
Kommenttisivu
Tietosuojakäytäntö